Шкворень вилки поперечины МТЗ (пр-во Агро-Днепр) 50-4605079-Б
Товара нет в наличии.
- Производитель
- Агро-Днепр (Украина)
- Каталожный номер
- 50-4605079-Б
- Вес товара:
- 1.27 кг
- Длина x Высота x Ширина:
- 60 x 55 x 55 см
- Схемы
- смотреть →
Применяемость
- Товар подходит на:
- - Трактора: МТЗ
- Товарная группа:
- - Гидравлика Гидронавесная система
Схемы для заводского номера «50-4605079-Б»
Дополнительное оборудование Коробка отбора мощности МТЗ-80 (1998) 80, 80Л, 82, 82Л, 80.1, 82.1, 82Н, 82Р
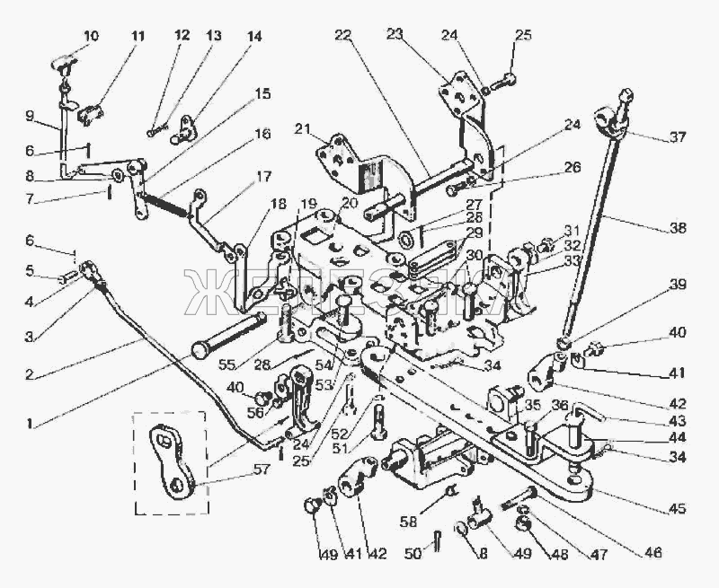
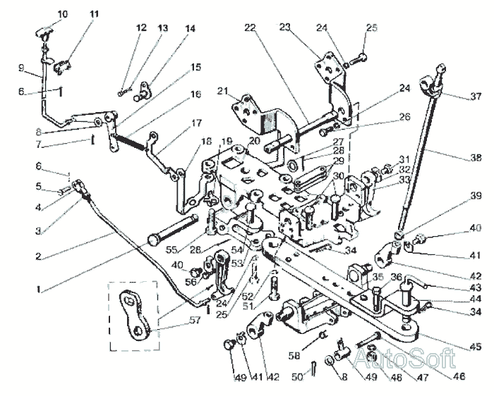
Механизм задней навески
Механизм задней навески
Дополнительное оборудование Коробка отбора мощности МТЗ-80 (2002) 80.1, 82.1, 82Р
4605 Механизм задней навески
4605 Механизм задней навески
Дополнительное оборудование Коробка отбора мощности МТЗ-80 (2002) 80.1, 82.1, 82Р
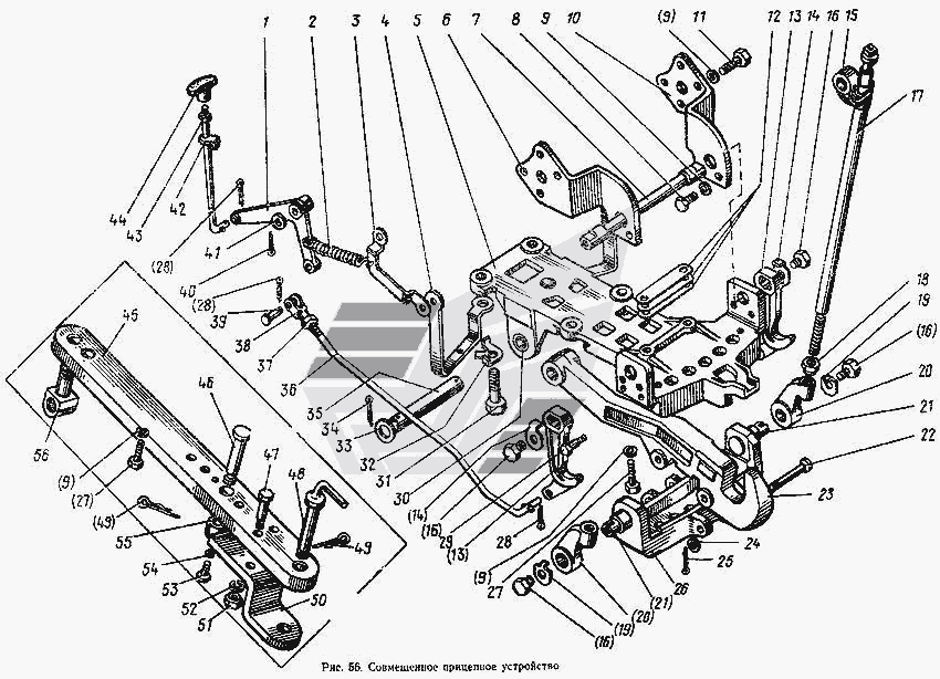
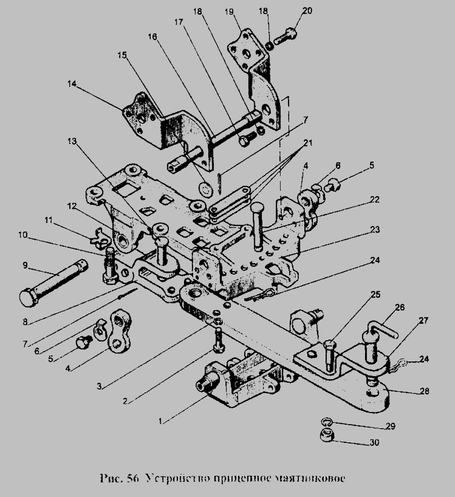
2707 Устройство прицепное. Вариант маятник или прицеп
2707 Устройство прицепное. Вариант маятник или прицеп
Ходовая часть Рама, бамперы и брызговики двигателя МТЗ-80 (2009) 80.1, 80.3, 80У, 82У, 82.1, 820, 82.3, 82Р, 82П
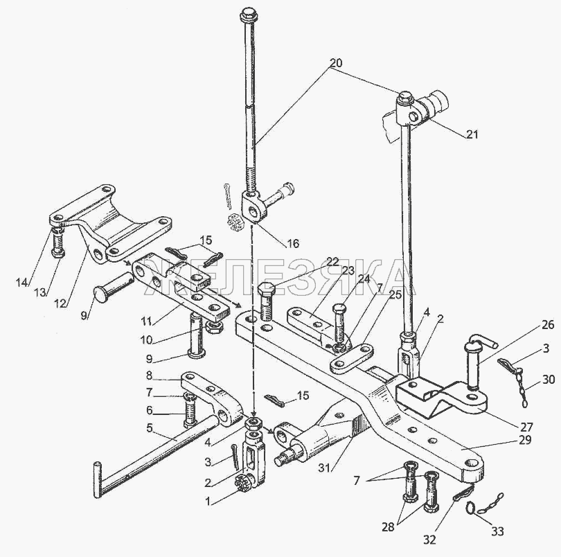
Полурама
Полурама
Дополнительное оборудование Устройство седельное МТЗ-80 (2009) 80.1, 80.3, 80У, 82У, 82.1, 820, 82.3, 82Р, 82П
Устройство прицепное. Вариант «маятник» или «прицеп» (по заказу).
Устройство прицепное. Вариант «маятник» или «прицеп» (по заказу).
Показать еще схемы ↓