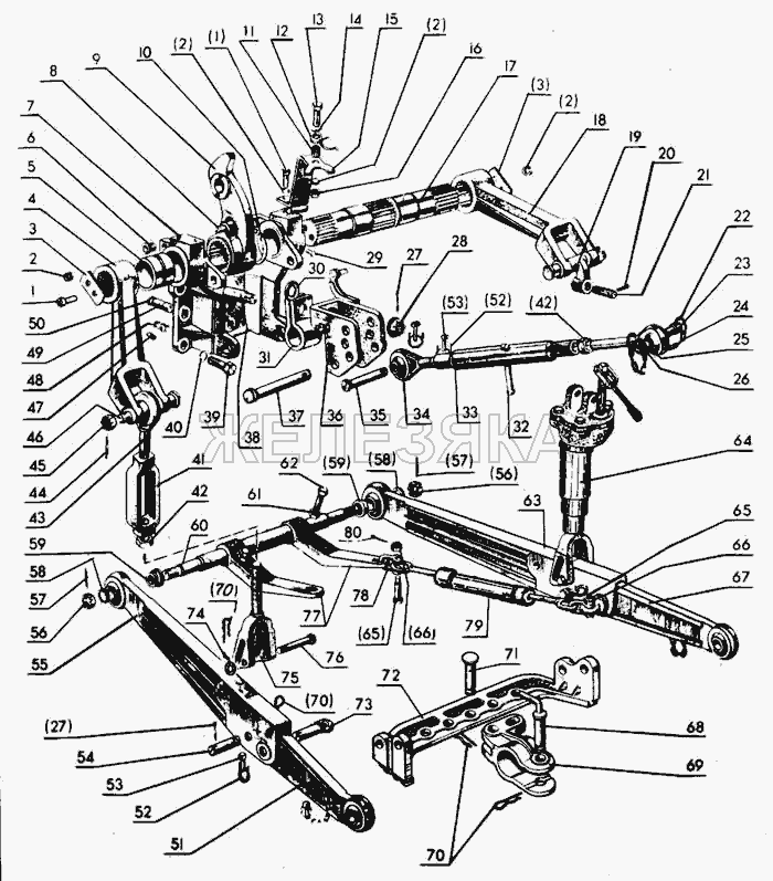
Проушина механизма навески задн. МТЗ (с резьбой) (пр-во Украина) 70-4605048 А
Товара нет в наличии.
- Производитель
- Агро-Днепр (Украина)
- Каталожный номер
- 70-4605048 А
- Вес товара:
- 0.3 кг
- Длина x Высота x Ширина:
- 30 x 30 x 130 см
- Схемы
- смотреть →
Применяемость
- Товар подходит на:
- - Трактора: МТЗ
- Товарная группа:
- - Гидравлика Гидронавесная система
Схемы для заводского номера «70-4605048 А»
Дополнительное оборудование Устройство седельное МТЗ-900/920/950/952 (2009) 900, 900.2, 900.3, 920, 920.2, 920.3, 950, 950.2, 950.3, 952, 952.2, 952.3
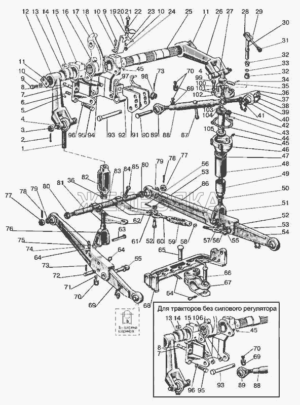
Механизм задней навески (для тракторов с силовым регулятором)
Механизм задней навески (для тракторов с силовым регулятором)
Дополнительное оборудование Коробка отбора мощности МТЗ-90/92 (2008) МТЗ-90/92
Механизм задней навески
Механизм задней навески
Дополнительное оборудование МТЗ-510/512, 520/522 (2010) 510, 510.1, 512, 512.2, 520, 522
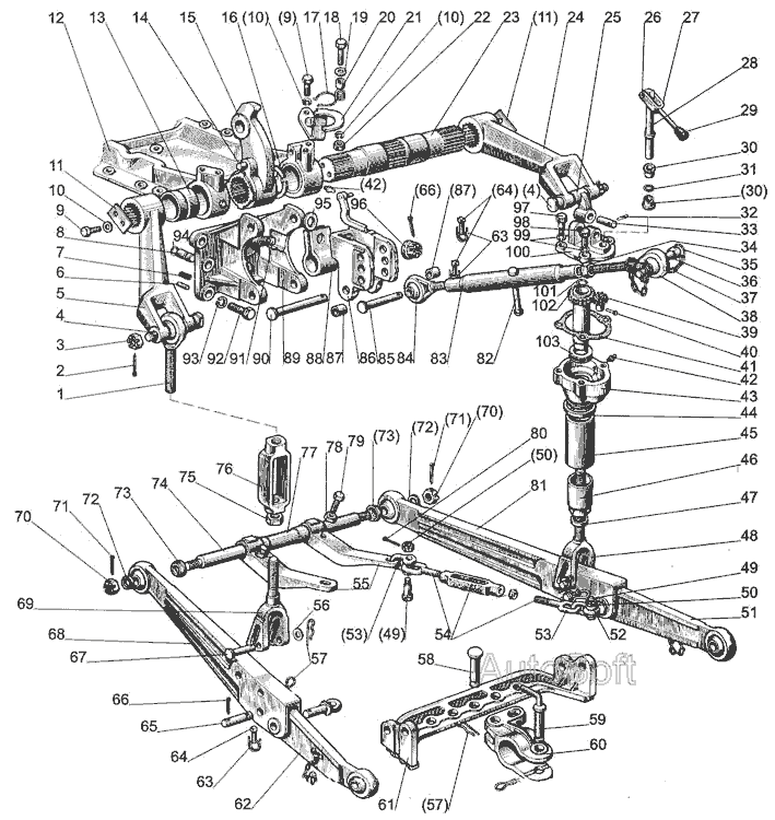
Механизм задней навески (для тракторов с силовым регулятором и без силового регулятора)
Механизм задней навески (для тракторов с силовым регулятором и без силового регулятора)
Дополнительное оборудование Устройство прицепное МТЗ-570 (2010) 570, 572, 592.2
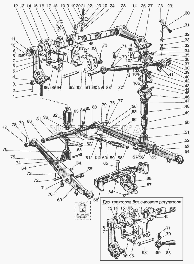
Механизм задней навески (для тракторов с силовым регулятором)
Механизм задней навески (для тракторов с силовым регулятором)
Дополнительное оборудование Устройство седельное МТЗ-80 (2009) 80.1, 80.3, 80У, 82У, 82.1, 820, 82.3, 82Р, 82П
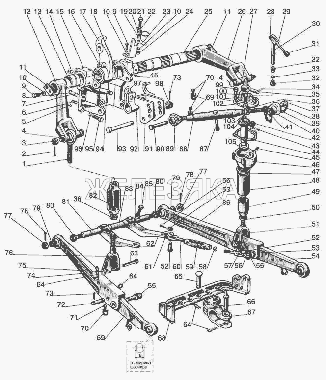
Механизм задней навески (для тракторов с силовым регулятором и без силового регулятора)
Механизм задней навески (для тракторов с силовым регулятором и без силового регулятора)
Дополнительное оборудование Коробка отбора мощности МТЗ-80 (2002) 80.1, 82.1, 82Р
4605 Механизм задней навески
4605 Механизм задней навески
Показать еще схемы ↓
